Назначение
Автоматические установки поддержания давления применяются в следующих типах замкнутых систем:
- Отопление
- Холодоснабжение
- Вентиляция и кондиционирование
- Индивидуальные тепловые пункты (ИТП)
- Холодильные центры
- Центральные системы теплоснабжения
Основная функция АУПД заключается в компенсации теплового расширения теплоносителя путём регулирования объёма жидкости в системе и поддержания рабочего давления в заданном диапазоне. Установка также выполняет автоматическую подпитку системы при утечках или пуске, предотвращая завоздушивание и обеспечивая непрерывную эксплуатацию оборудования без вмешательства обслуживающего персонала.
Решения БРАНТ применяются в жилых, коммерческих и промышленных объектах, где требуется поддержание заданных параметров давления без постоянного участия обслуживающего персонала.
Вы можете купить установку поддержания давления БРАНТ с быстрой доставкой по России. Конфигурация установки подбирается индивидуально в зависимости от характеристик конкретного проекта.
Функции

Автоматическое заполнение системы
Установка обеспечивает функцию первичного заполнения замкнутого контура теплоносителем при пуске системы, предотвращая завоздушивание и исключая необходимость ручной подпитки на этапе ввода в эксплуатацию.

Поддержание давления и компенсация температурных изменений
АУПД автоматически стабилизирует давление в замкнутой системе за счёт сброса объема теплоносителя из трубопроводов систем потребителя в безнапорный расширительный бак, компенсируя тепловое расширение и сжатие теплоносителя при колебаниях температуры в рабочем диапазоне.

Контроль уровня в расширительном баке
Встроенные датчики уровня обеспечивают постоянный контроль наличия теплоносителя в баке. При снижении уровня ниже уставки система автоматически включает подпитку до восстановления нормального состояния.

Деаэрация
Установка оснащается автоматическим воздухоотводчиком, благодаря которому исключается завоздушивание системы, снижается коррозионное воздействие и обеспечивается стабильная гидравлическая работа оборудования.
Особенности
- Интуитивно понятное управление. Цветная сенсорная панель с русскоязычным интерфейсом обеспечивает удобный контроль и управление всеми процессами, а графическая визуализация позволяет оператору быстро оценить состояние оборудования.
- Высокая степень защиты и диагностики. Система записывает до 100 аварийных событий в журнал архивации аварий, что позволяет быстро идентифицировать и устранить неисправности, а протокол Modbus TCP/RTU обеспечивает легкую интеграцию с другими системами управления технологическими процессами.
- Автоматический запуск. При восстановлении электропитания после перебоя в электроснабжении насосная установка автоматически запускается, что минимизирует время простоя.
- Дополнительные функциональные возможности. Возможно подключение функций управления дополнительными клапанами (кранами) с электроприводом, контроль запуска системы по датчику температуры и прочими требованиями по желанию заказчика.
- Защита от вибраций. Виброизолирующие опоры минимизируют вибрации и продлевают срок службы оборудования, а применение виброустойчивых манометров из нержавеющей стали с гидрозаполнением повышает точность съема показаний.
- Коррозионная стойкость. Использование трубопроводов из нержавеющей стали EN 10217-7 с полимерно-порошковым покрытием обеспечивает длительный срок службы установки поддержания давления.


Технические параметры
- Тип перекачиваемой жидкости: вода или гликолевые смеси до 50%
- Расчетное давление до 25 бар
- Макс. температура теплоносителя на мембране до 70 °С
- Макс. температура теплоносителя в системе до 110 °С
- Количество насосов 2 – 3
- Диапазон перепада давления ± 0,2 бар
- Напряжение 3 × 380В
- Мин. температура теплоносителя в системе 3 °С
- Класс защиты шкафа управления IP54
- Объём бака 200 – 1000 л
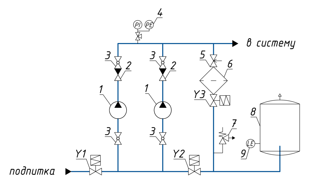
Принципиальная схема
| Поз. | Наименование | Поз. | Наименование |
|---|---|---|---|
| 1 | Насос | 7 | Предохранительный клапан |
| 2 | Обратный клапан | 8 | Безнапорный расширительный бак |
| 3 | Запорная арматура | 9 | Преобразователь давления |
| 4 | Датчик давления | Y1 | Соленоидный клапан (эл. привод) |
| 5 | Балансировочный клапан | Y2 | Шаровый кран (эл. привод) |
| 6 | Фильтр | Y3 | Соленоидный клапан (эл. привод) |
Панель управления
Функциональные возможности панели в части индикации:
- Индикация работы любого насоса системы (включен / отключен);
- Индикация аварии любого насоса системы;
- Индикация работы каждого клапана системы (включен / отключен);
- Индикация текущего давления системы и уставки давления;
- Индикация уровня в баке в %;
- Индикация наличия напряжения на вводе;
- Индикация аварии датчика давления системы и датчика уровня в баке;
- Индикация наличия общей аварии;
- Просмотр архива аварий.
Функциональные возможности панели в части управления:
- Выбор режима управления (автоматический / ручной);
- Управление в ручном режиме насосами и клапанами (включить / отключить);
- Запуск режима первого заполнения системы;
- Параметрирование уставок давления в системе и уровня в баке через меню настроек.
Система диспетчеризации
Система диспетчеризации предназначена для использования диспетчерским и эксплуатационным персоналом. Предоставляет все возможности мониторинга и дистанционного управления:
- Отображение текущего давления в системе и уровня в баке;
- Отображение текущей уставки давления и уровня в баке;
- Состояния насосов и клапанов – включен/выключен/авария;
- Наличие аварии датчиков давления и уровня;
- Наличие аварийной ситуации;
- Позволяет поменять уставку давления в системе и уровня в баке;
- Просматривать архив аварийных ситуаций;
СУН-ПД подключается к существующей системе диспетчерского контроля с помощью интерфейса RS-485 / Ethernet по открытому протоколу Modbus RTU / Modbus TCP. Ограничение прав пользователя существующей автоматизированной системы управления (АРМ оператора) задается на уровне Scada системы.